![]() | |
| Quicklinks: Home - About Us - Applications - Products - Advantages - Contact - News | |
The
AC660 (also called AA6000 in some markets) is fully designed and
manufactured locally and exported world wide. This system was designed
with flexibility and adaptability in mind from the outset.
As such it can fulfil a multitude of pneumatic tube system requirements
with our standard items. And our continual local development makes us
very reactive to ensure that the AC660 matches any requirement that we
haven't thought of yet. Below we show a number of key features of the AC660. | |
| Designed with a modern edge. A hierarchical and scrolling "MP3 player style" menuing system, a complete absense of esoteric codes and technical jargon for operators, sharp blue dispays with clear text and graphics; this system fits the bill for modern applications. | |
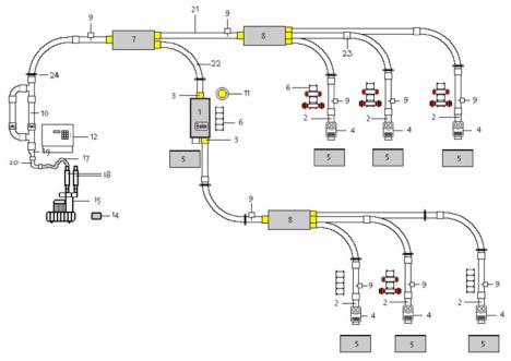
| A new concept in pneumatic tube systems flexibility. The system architecture and programming procedure allows for stations each with unique features. Any combination of up to 99 stations allows complete system flexibility. Stations can be chosen according to function and size as appropriate for the particular requirement without undue consideration for the other parts of the system. | |
| Each station can have a simple operating panel or an advanced panel with LCD, keypad and ID device (RFID or similar). This allows various operator interaction and permissions (such as enter PIN code to send) across all stations. All stations are identifed by a name rather than a number allowing self-intuitive operation. | |
| Flexible device options allow for composite systems with various sub-architectures as site conditions and operational requirements dictate. A hybrid of diverter and y-branch systems is fully realisable. | |
| Extensive facilities for the recording of cash details such as is required in retail or banking applications: cash values, sending and receiving operators, register numbers, docket or slip numbers, etc. Also the ability to control and account for periods such as working shifts or other sessions. | |
| Full audit trails with advanced filtering abilities allow historical transactions to be pinpointed with speed and accuracy. Want to know who sent what at 9:15AM on Thursday last week? No problem! | |
| Security features such as requiring an operator to identify themself - with an RFID tag and/or PIN code - prior to a carrier being dispensed. A remote indicator may also be employed to grab the attention of an operator when away from the station. | |
| Up to 99 printers configured to print any type of event for any group of stations. This allows, for example, a full audit printer in a cash room, a send log printer at the checkout and a received change printer at the service desk. | |
| Any number of "safe" stations that allow internal and/or 3rd party access to empty the contents in an audited manner. Perfect for allowing a security company to empty the contents without any other supervision. A safe diversion facility also allows carriers to be diverted from a standard receive station to a safe after hours or when an operator is not present. | |
| Up to 99 carrier sensors provide accurate and real-time tracking of carriers as they move throughout the system. In the even of a "lost" carrier these sensors will provide a reliable movement trail. | |
| A selection of PC utilities allow for remote connectivity and data transfer with the system. You can monitor and control your system over the internet from half way across the world! | |
| Please contact us for a complete list of specifications and a consultation to see how the AC660 can best meet your requirements. | |
| Return back to the Products Page. | |
| (C) 2012 Aerocom Australia Pty Ltd | |